+58 212 9852266 +58 414-2704834 info@electricbusways.com

SUB-ESTACIONES TABLEROS ELÉCTRICOS

SUB-ESTACIONES ELÉCTRICAS
Fabricación, suministro e instalación de Sub-Estaciones Eléctricas de tipo Compactas, Modulares y Expandibles.

Las Sub-Estaciones Eléctricas de tipo Compactas, Modulares y Expandibles, están constituidas fundamentalmente por tres etapas, siendo: 1) CELDAS DE MEDIA TENSIÓN equipadas con interruptor de vacío o con seccionadores fusibles para protección y maniobra de los circuitos en media tensión  (hasta 35 kV @ 1200A); 2) TRANSFORMACIÓN donde se instala un transformador de potencia trifásico seco, encapsulado en resina epóxica (hasta 3 MVA); y 3) CELDAS DE BAJA TENSIÓN, las cuales están integradas con equipos para conexión y desconexión de la energía eléctrica en baja tensión, mediante interruptores automáticos aislados en aire (hasta 1 kV @ 1600A – 4000A) y breakers caja moldeada regulables térmica y magnéticamente (hasta 600 Vac @ 20A – 1600A), así como aditamentos de protección como apartarrayos, sistemas de puesta a tierra, sistemas de enclavamiento eléctrico o mecánico de los equipos de protección y sistemas de bloqueo en puerta, que impiden el cierre o apertura de las cuchillas de desconexión cuando estas se encuentran en una condición de operación indeseable que pueda dañar a los equipos o pueda poner en riesgo la seguridad de los operadores.

Las Sub-Estaciones Eléctricas Compactas, son diseñadas para servicio interior del tipo Nema 1, Nema 12 e intemperie tipo Nema 3R, construidas en lámina de acero en frío calibres Nº 12 y 14, con acabado de pintura electrostática, fabricadas en secciones modulares de fácil armado, lo que proporciona una gran versatilidad cuando se requiere de ampliaciones.

Las Sub-Estaciones Eléctricas representan una solución compacta, puesto que se pueden contar con instalaciones eléctricas principales de hasta 3 MVA en cuartos de electricidad con geometrías limitadas o con poco espacio, así  mismo, su constitución modular permite al operador contar con un centro de energía y distribución de cargas completamente organizado y especificado, lo cual posibilita inclusive las futuras expansiones del sistema eléctrico, hacia los módulos laterales .


CELDAS DE COMPENSACIÓN DE POTENCIA REACTIVA
Fabricación, suministro e instalación de celdas para la compensación automática de potencia reactiva y corrección del factor de potencia.

Ante la presencia de «cargas no lineales» en una instalación eléctrica, tales como los inversores, rectificadores, variadores de frecuencia y demás equipos basados en electrónica de potencia constituidos por semiconductores (transistores, tiristores, MOSFET, IGBT`S, etc.), así como también, cargas de impedancia variable que utilizan un arco eléctrico, máquinas de soldadura, tubos fluorescentes, lámparas de descarga, etc., y cargas que absorban fuertes corrientes magnetizantes como los transformadores saturados, inductores, etc., la recomendación es implementar esquemas de compensación de potencia reactiva.

Un banco de compensación automática de potencia reactiva, permite corregir el factor de potencia a un valor fijo (normalmente superior o igual a 0.9), y con ello minimizar los efectos de la componente reactiva en la red eléctrica, atendiendo a la resolución publicada por parte del Ministerio de Energía Eléctrica, Presidencia de la República Bolivariana de Venezuela, en Gaceta Oficial Nº 39.694 de fecha 13.06.2011, Resolución 76, Artículo 1, la cual describe textualmente lo siguiente: “…Artículo 1: La presente resolución tiene por objeto promover la mejora del factor de potencia en los usuarios industriales, comerciales y oficinas con cargas superiores o iguales a doscientos kilovoltioamperios (200 kVA), a fin de reducir las caídas de tensión y aumentando la disponibilidad de potencia en la red eléctrica. Artículo 2: Los usuarios de los sectores industrial, comercial y oficial con cargas superiores a doscientos kilovoltioamperios (200 kVA) que no mantengan un factor de potencia igual o superior a 0.9, estarán sujetos a un recargo en su facturación mensual calculado según la expresión: Recargo=(8/5)*(0,9/F.P. – 1)x100, donde F.P. es el factor de potencia real medido en las instalaciones del usuario…”

ELECTRIC BUSWAYS ofrece la fabricación de bancos de compensación automática de potencia reactiva, fabricado conforme a las normas IEC 60439-1 y 2, y EN 60439, constituido por un armario metálico  autosoportado y compartimentado por raks, con un nivel de protección IP 31 – IK 05, color gris RAL 7032 con cerradura en puerta, el cual incluye un sistema de compensación basado en un conjunto de condensadores, diseñados para instalaciones con cargas de variación rápida o procesos sensibles a los armónicos y/o perturbaciones transitorias, con un tiempo de respuesta ≤ 40 ms.

Los pasos de compensación se pueden conectar o desconectar de una sola vez (por medio de contactores estáticos), ajustándose de forma instantánea a la demanda real de reactivos. La celda se compone de varios racks dependiendo de la potencia y del tipo de batería de condensadores. Cada rack incluye un conjunto de condensadores, contactores estáticos, conjunto de 3 fusibles por paso, disipador con ventilación forzada, un controlador de los contactos estáticos, un regulador de energía reactiva y una protección termomagnética regulable a la entrada de la alimentación eléctrica.


VARIADORES DE FRECUENCIA
Fabricación y suministro de Variadores de Frecuencia para uso en instalaciones petroleras.

Los Variadores de Frecuencia, de la serie VSD ACS 800 de 100HP hasta 200HP, son instalados dentro de tableros autosoportados de uso exterior NEMA 3R (para instalaciones en intemperie), provistos de equipos y componentes para protección y controles eléctricos, incluyendo filtros con tecnología DTC para asegurar un bajo contenido de armónicos, los cuales cumplen con todos los requerimientos eléctricos (Standard IEC y NEMA), mecánicos y ambientales solicitados para la aplicación en Bombas Electrosumergibles (BES) y Bombas de Cavidad Progresiva (BCP) en la industria petrolera.


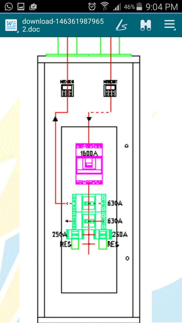
TABLEROS ELÉCTRICOS
Fabricación y suministro de tableros eléctricos de uso residencial, comercial, industrial y hospitalario.

ELECTRIC BUSWAYS ofrece la fabricación y suministro de los tableros eléctricos ajustados a las tablas de cargas y especificaciones de sus proyectos, tales como:

  • Tableros eléctricos tipo NLAB para protección y corte de circuitos de iluminación, tomacorrientes y demás cargas débiles.
  • Tableros eléctricos tipo NAB y NHB utilizados para la protección y corte de circuitos de iluminación y pequeñas cargas de alimentadores que posteriormente son protegidos por otros dispositivos, tales como: guardamotores, seccionadores, entre otros.
  • Tableros eléctricos tipo CCB utilizados para la protección y corte de circuitos alimentadores ramales de fuerza y distribución.

Todos los tableros eléctricos se suministran con sus interruptores  termomagnéticos en  versiones enchufables (plug-in), atornillables, caja moldeada fijos o regulables, con capacidades desde 20A hasta 1600A.